Závěs CLIP TOP BLUMOTION 110° naložený inserta onyx
Popis
Nábytkový závěs CLIP-TOP BLUMOTION (model 71B3590) představuje kvalitní řešení pro montáž dvířek u skříněk a kuchyňských korpusů. Díky integrovanému soft-close systému BLUMOTION zajišťuje plynulé, tiché a bezpečné dovírání dvířek bez nárazů.
Funkce a vlastnosti
Závěs poskytuje vysoký komfort používání a přizpůsobí se většině nábytkových konstrukcí. Integrovaný tlumicí mechanismus pracuje spolehlivě i při každodenním intenzivním provozu.
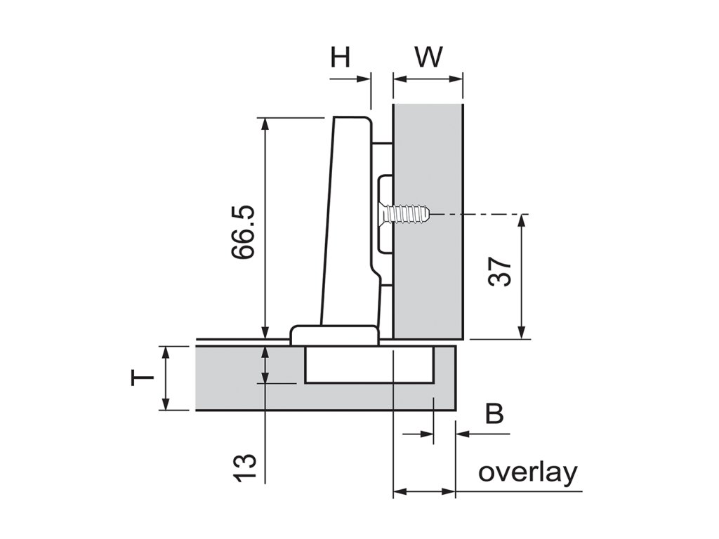
Možnosti seřízení pro precizní lícování
Závěs umožňuje třírozměrné seřízení:
- Výškové seřízení – pro přesné zarovnání dvířek vůči korpusu,
- Boční posun – pro dokonalou rovinu s okolními díly,
- Hloubkové seřízení – pro správnou vůli dvířek při zavírání.
Kvalitní provedení a univerzálnost
Závěs je vhodný pro standardní dřevěné korpusy i lamino skříňky a osvědčí se v kuchyních, šatních skříních, komodách i koupelnovém nábytku. Konstrukce splňuje náročné požadavky na spolehlivost, plynulý chod a dlouhou životnost.
Technické parametry
- Typ závěsu: CLIP-TOP BLUMOTION.
- Model: 71B3590.
- Funkce: integrované tlumené dovírání.
- Seřízení: výškové, boční i hloubkové.
- Vhodné použití: skříňky a korpusy z dřeva nebo lamina.
- Ideální pro: kuchyňský nábytek, skříně, komody, koupelnový nábytek.
Důležitá poznámka
Montážní podložka není součástí balení. Pro správnou instalaci je nutné ji doobjednat zvlášť. Doporučené podložky naleznete v sekci Související produkty.
Závěs CLIP-TOP BLUMOTION 71B3590 je spolehlivou volbou pro nábytkové aplikace, kde je kladen důraz na tiché zavírání, přesné lícování a dlouhou životnost.
| Značky | BLUM |
| Konstrukční situace závěsu | Naložený |
| Označení kategorie závěsu | CLIP TOP |
| Povrchová úprava závěsu | onyx |
| Průměr montážní misky | 35 mm |
| Spojení závěsu s podložkou | K nacvaknutí |
| Typ závěsu | S pružinou |
| Úhel otevření závěsu | 110° |
| Upevnění ke korpusu | Inserta |
Buďte první, kdo napíše příspěvek k této položce.
Buďte první, kdo napíše příspěvek k této položce.
Když se dnes řekne nábytkové kování BLUM, každý si představí tu nejvyšší kvalitu ve spojení s dokonalou ergonomií a maximálním užitkem a kdo si nepředstaví může vědět, že se jedná o celosvětovou jedničku mezi výrobci nábytkového kování. Vše začalo v roce 1952 kdy pan Julius BLUM založil svůj závod a vyrobil první ozuby, instalované na koňských podkovách.
První nábytkové kování, závěs pro dveře a okna vznikl v roce 1958 a jmenoval se ANUBA. Pokud se podíváme na data spojená s některým z aktuálních produktů, je velmi zajímavý rok 2011 kdy se datuje uvedení na trh systemu zasuvek Legrabox, výsuvu Movento a Servo-Drive Uno.
2014 je zapsán jako rok produktu TIP-ON BLUMOTION, respektive možnost v nábytku využít bezúchytkové otevírání spolu s tlumeným dovřením. Jedná se technické řešení zásuvky, které podporuje čístý a designový vzhled nábytku, kuchyně apodobně.
.jpg)