Úchytkový profil pro horní skříňky eloxovaný hliník
Popis
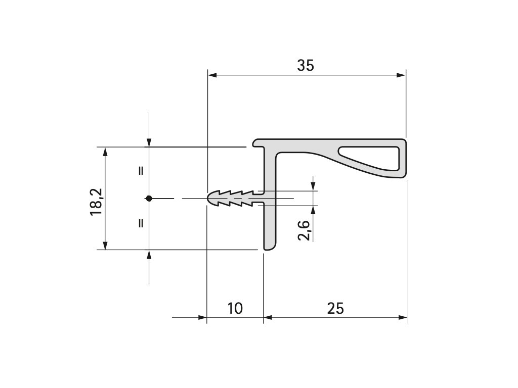
Profil pro horní skříňky Volpato 80/G29 – bezúchytkové otevírání
Profil Volpato 80/G29 je praktickým a estetickým řešením pro horní skříňky, které umožňuje jejich pohodlné bezúchytkové otevírání. V kombinaci s GOLA profilem vytváří čisté linie a moderní vzhled, který ocení každý, kdo má rád minimalistický design.
Výhody použití
- Minimalistický vzhled bez viditelných úchytek
- Snadné otevírání po celé délce dvířek
- Rychlá montáž naražením do drážky
- Kvalitní materiál pro dlouhou životnost
- Univerzální použití – kuchyně, koupelny, vestavné skříně
Montáž
Instalace probíhá do předem vyfrézované drážky v hraně korpusu. Profil se následně naráží po celé délce, čímž se zajistí pevné uchycení a dlouhodobá stabilita. Pro dokonalý vzhled doporučujeme kombinaci s horizontálním GOLA profilem.
Podobné produkty
| Značky | Volpato |
| Barva úchytky | Hliník / Chrom matný |
| Rozteč úchytky (mm) | profilové |
| Materiál úchytky | Kov |
| Dle možnosti použití | Do kuchyně, Do koupelny |
Buďte první, kdo napíše příspěvek k této položce.
Přidat komentář
Buďte první, kdo napíše příspěvek k této položce.
.jpg)